какая площадь принимается за расчетную при сдвиге
Расчеты на прочность при сдвиге
Условие прочности детали конструкции заключается в том, что наибольшее напряжение возникающее в ней (рабочее напряжение) не должно превышать допускаемое.
Расчетная формула при сдвиге
читается следующим образом: касательное напряжение при сдвиге, вычисленное по формуле 
По этой расчетной формуле проводят проектный и проверочный расчеты и определяют допускаемую нагрузку.
Деформация сдвига, доведенная до разрушения материала, называется срезом (применительно к металлическим деталям) или скалыванием (применительно к неметаллическим конструкциям).
Допускаемое напряжение на срез выбирают для пластичных материалов в зависимости от предела текучести. В машиностроении для штифтов, болтов, шпонок и т. п. принимают
Для древесины допускаемые напряжения на скалывание во врубках колеблются в пределах от 0,5 до 1,4 МПа и зависят от сорта дерева и направления врубки по отношению к направлению волокон.
При расчетах на срез в случае, если соединение осуществляется несколькими одинаковыми деталями (болтами, заклепками и т. д.), полагают, что все они нагружены одинаково.
Расчеты соединений на срез обычно сопровождают проверкой прочности этих соединений на смятие.
Пример 20.1. Определить силу F, необходимую для пробивания квадратного отверстия размером а = 25 мм в стальной полосе толщиной 

Решение. Определим разрушающую нагрузку F:
Площадь среза Aср равна площади боковой поверхности пробитого отверстия

где А — площадь поперечного сечения пуансона;
Пример 20.2. Определить напряжения смятия и среза в головке стержня, растягиваемого силой F= 100 кН. Дано: D= 32 мм, d= 20 мм, h = 12 мм (рис. 20.3).
Решение. Определим площадь смятия Асми площадь среза Аср головки. Площадь опорной поверхности головки, работающей на смятие, равна
Площадь среза равна площади боковой поверхности цилиндра диаметром d и высотой h:
Определим напряжения смятия и среза головки:
Пример 20.3. В условиях примера 19.6 определить напряжения среза в болте (см. рис. 19.13,б).
Решение. Напряжения среза в болте вычисляем по формуле 
Площадь среза Aср представляет собой две площади поперечного сечения болта:
Деформация и закон Гука при сдвиге
Для установления параметров, характеризующих деформацию при сдвиге, рассмотрим элемент бруса в виде параллелепипеда abсd,на грани которого действуют только касательные напряжения 

расстояния h,на котором происходит сдвиг). Величина bb1, на которую смещается подвижная грань относительно неподвижной, называется абсолютным сдвигом. Относительный сдвиг 
Напряжения и деформации при сдвиге связаны между собой зависимостью, которая называется законом Гука при сдвиге.
Закон Гука при сдвиге справедлив лишь в определенных пределах нагружения и формулируется так: касательное напряжение прямо пропорционально относительному сдвигу.
Математически закон Гука можно записать в виде равенства
Коэффициент пропорциональности G характеризует жесткость материала (т. е. способность сопротивляться упругим деформациям) при сдвиге и называется м о д у л е м сдвига или модулем упругости второго рода.
Модуль упругости и напряжение выражаются в одинаковых единицах:
Значения G, МПа, для некоторых материалов:
Чугун. 4,5 
Сталь. 8,1 
Медь. ………………. (4,0. 4,9) 
Латунь. (3,5. 3,7) 
Дерево. 0,055 
В заключение отметим, что между тремя упругими постоянными Е, G и v существует следующая зависимость:
Принимая для сталей v 
Дата добавления: 2018-04-15 ; просмотров: 1745 ; Мы поможем в написании вашей работы!
Какая площадь принимается за расчетную при сдвиге
Тестовые вопросы по теме «Смятие и сдвиг»
– Какие виды деформаций испытывает данное соединение?
1. Растяжение и изгиб;
3. Изгиб и кручение;
4. Растяжение и сдвиг.
– Какая площадь принимается за расчетную при смятии?
1. площадь поверхности заклепки;
3. площадь поперечного сечения.
– Как направлены к плоскости поперечного сечения напряжения при сдвиге?
1. совпадают с плоскостью сдвига;
2. перпендикулярно к плоскости сдвига;
– Чему равны главные напряжения при сдвиге?
1. σ 1,3 =0° 
2. σ 1,3 =±2 τ 
3. σ 1,3 =± τ 
– Какие виды деформаций испытывает головка болта?
1. изгиб с кручением;
– Во сколько раз изменится допускаемая нагрузка на сварное соединение, если толщина шва уменьшится вдвое (при прочих равных условиях)?
1. уменьшится в четыре раза;
2. уменьшится вдвое.
– Закон Гука при сдвиге:
1. τ = G ∙ γ 
2. τ = Q A ≤ τ 
3. τ = T KP ∙ ρ J p 
4. τ = Gρθ 
– Коэффициент пропорциональности G называется:
2. модулем упругости второго рода;
3. модулем продольной упругости;
4. верны ответы 1 и 2.
– Модуль сдвига имеет размерность:
3. верны ответы 2 и 4;
1. относительным сдвигом;
2. углом закручивания;
3. абсолютной деформацией;
4. нет правильного ответа.
– Чистым сдвигом называется такой случай плоского напряженного состояния:
1. при котором в окрестности данной точки может быть выделен элементарный параллелепипед с боковыми гранями, находящимися под действием одних лишь касательных напряжений;
2. при котором в окрестности данной точки может быть выделен элементарный параллелепипед с боковыми гранями, находящимися под действием одних лишь нормальных напряжений;
3. верны ответы 1 и 2.
– Условие прочности на смятие имеет вид:
1. σ c м = Q A 
2. τ cp = Q A ≤ τ cp 
3. σ c м = Q A ≤ σ c м 
4. σ = E ∙ ε 
– Какое из приведенных выражений будет соответствовать проектировочному расчету на смятие?
1. A ≥ Q τ cp 
2. A ≥ Q σ c м 
3. σ c м = Q A ≤ σ c м 
4. τ = T ∙ ρ J p 
– Какое из приведенных выражений будет соответствовать проверочному расчету на смятие?
1. σ c м = Q A ≤ σ c м 
2. τ cp = Q A ≤ τ cp ;
3. τ max = T max W p ≤ τ 
4. A ≥ Q σ c м 
– Формула для определения максимальной допускаемой нагрузки при расчете на смятие:
1. M X max = W X ∙ σ 
2. Q max ≤ A σ см 
3. Q max ≤ A τ ср 
4. N max = A σ 
– Выбрать формулу для расчета напряжения сдвига в поперечном сечении болта
1. σ = N A 
2. τ = N A 
3. τ = M z W p 
4. σ = Q A 
– Рассчитать площадь смятия внутреннего листа соединения, нагруженного растягивающей силой
– Проверить прочность на смятие внутреннего листа соединения, если допускаемое напряжение смятия материала листа 120 МПа. Листы соединены болтом, поставленным без зазора. Соединение нагружено растягивающей силой F = 50,4 кН; dc = 21 мм; l =45 мм; δ = 20 мм
4. Для ответа данных недостаточно.
– Выбрать формулу для расчета напряжения в поперечном сечении детали при сдвиге
1. σ = N A 
2. τ = Q A 
3. τ = M z W p 
4. σ = M x W x 
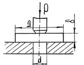
– Рассчитать величину площади смятия штифта, изображенного на рисунке
– Из расчета на смятие определить количество заклепок, необходимое для передачи внешней силы. F =120кН, [ τср ] = 80 МПа, [ σсм ] = 240 МПа, d = 20 мм.
– Выбрать формулу для расчета напряжения в поперечном сечении детали при сдвиге
1. τ = Gγ 
2. τ = Q A 
3. σ = N A 
4. τ = M z W p 
– Рассчитать величину площади смятия штифта, изображенного на рисунке
– Из расчета на смятие определить количество заклепок, необходимое для передачи внешней силы. F =180кН, [ τср ] = 80 МПа, [ σсм ] = 240 МПа, d = 16 мм.
– Из условия прочности листа на смятие определить допускаемую нагрузку, если [ τ ср ] = 100 МПа; [ σсм ] = 240 МПа
– Условие прочности при сдвиге
1. Q ≤ τ ∙ A 
2. τ max = Q A ≤ τ 
3. τ max τ ≤1 
1. τ = F ab ≤ τ 
2. τ = 2 F ab ≤ τ 
3. τ = F ab ≥ τ 
4. τ = F 2 ab ≤ τ 
– На срез (на сдвиг) рассчитывается соединение, показанное на рисунке.
1.
2.
3.
– Какую механическую характеристику материала листа надо знать, чтобы определить силу, необходимую для продавливания отверстий?
1. предел текучести;
2. предел прочности на растяжение;
3. предел прочности на срез.
– Во сколько раз изменится допускаемая нагрузка на сварное соединение, если толщина шва уменьшится вдвое (при прочих равных условиях)?
1. уменьшится в четыре раза;
2. уменьшится вдвое.
– Чему равна сумма нормальных напряжений на любых 3-х взаимно перпендикулярных площадках?
– На основе какого из допущений, принятых в курсе сопротивления материалов, составлены выражения обобщенного закона Гука?
1. Деформации материала конструкции в каждой его точке прямо пропорциональны напряжениям в этой точке.
2. Материал конструкции обладает свойством идеальной упругости.
3. Поперечные сечения бруса, плоские до приложения к нему нагрузки, остаются плоскими и при действии нагрузки.
4. Результат воздействия на конструкцию системы нагрузок равен сумме результатов воздействия каждой нагрузки в отдельности.
– Чему равна сумма нормальных напряжений на любых трех взаимно перпендикулярных площадках?
– Чему равно относительное изменение объема при сдвиге?
1. ∆ V V = ε 1-2 μ 
2. ∆ V V = με 
– Какая теоретическая зависимость существует между допускаемым напряжением на растяжение и допускаемым напряжением на сдвиг (по четвертой теории прочности)?
1. τ =0,4 σ 
2. τ =0,5 σ 
3. τ =0,6 σ 
– Укажите в круге Мора отрезки, соответствующие главным напряжением.
– Какие деформации в материале возникают при чистом сдвиге?
1. угловая и продольная деформации;
2. продольная деформация;
3. угловая деформация.
1. τ α = τcos 2 α 
2. τ α = τsin 2 α 
– Укажите формулу, выражающую закон Гука при сдвиге
1. σ = εE 
2. τ = γG ;
3. τ = G γ 
– Какая зависимость существует между модулем сдвига и модулем упругости?
1. G = E 2 1- μ 
2. G = E 2 1+ μ 
– Какие виды деформаций испытывает шпоночное соединение?
2. сдвиг и кручение;
3. срез и растяжение.
– Как записывается условие прочности при смятии?
1. 4 Q 8 πd ≤ σ см 
2. Q A см ≤ σ см 
3. 4 Q π d 2 ≤ σ см 
– Укажите напряженное состояние элемента, соответствующего изображенному кругу Мора



– Как распределяются касательные напряжения в поперечном сечении при сдвиге?
1. по закону прямой ;
3. по закону параболы.
– Под каким углом к плоскости сдвига наклонены главные площадки?
– Укажите круг Мора для чистого сдвига?
1. 

– Чему равна потенциальная энергия объема при чистом сдвиге?
1. σ 2 2 E 
2. τ 2 2 G 
– Какие напряжения (нормальные или касательные) возникают при смятии?
1. нормальные и касательные;
– Какая теоретическая зависимость существует между допускаемым напряжением на растяжение и допускаемым напряжением на сдвиг (по третьей теории прочности)?
1. τ =0,6 σ 
2. τ =0,5 σ 
3. τ =0,8 σ 
– Чему равно допускаемое напряжение при сдвиге для пластичных материалов?
1. τ =0,7÷0,8 σ 
2. τ =0,6÷0,7 σ 
3. τ =0,5÷0,6 σ 
– Как записывается условие прочности при сдвиге?
1. Q A сд ≥ τ сд 
2. 4 Q π d 2 ≥ τ сд 
3. 4 Q A сд ≥ τ сд 
– Во сколько раз увеличится несущая способность соединения при расчете на смятие, если диаметр заклепок увеличится на 50%?
– По какой формуле определяется работа, затрачиваемая на сдвиг?
1. A = 1 2 EF F N x 2 dx 
2. A = 1 2 GF F Q x 2 dx 
3. A = 1 EI F M x 2 dx 
– На какие виды деформаций рассчитывают шлицевое соединение?
3. кручение и растяжение.
– Укажите формулу для расчета шайбы на смятие
2. 4 P πDδ ≤ σ см 
3. 4 P π d δ ≤ σ см 
Адрес: Россия, 450071, г.Уфа, почтовый ящик 21





































